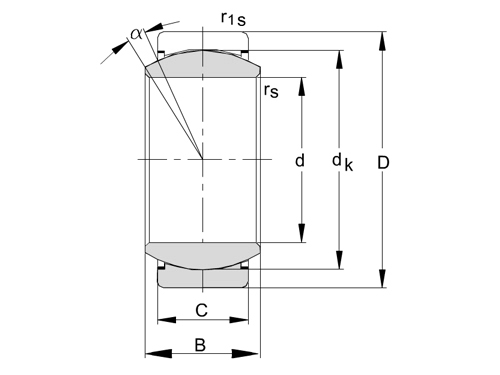
| 型号 | 主要尺寸(mm) | |||
| d | D | B | C | |
| GEG15ET-2RS | 15 | 30 | 16 | 10 | GEG17ET-2RS | 17 | 35 | 20 | 12 |
| GEG20ET-2RS | 20 | 42 | 25 | 16 | GEG25ET-2RS | 25 | 47 | 28 | 18 |
| GEG30ET-2RS | 30 | 55 | 32 | 20 | GEG35ET-2RS | 35 | 62 | 35 | 22 |
| GEG40ET-2RS | 40 | 68 | 40 | 25 | GEG45ET-2RS | 45 | 75 | 43 | 28 |
| GEG50ET-2RS | 50 | 90 | 56 | 36 | GEG60ET-2RS | 60 | 105 | 63 | 40 |
| GEG70ET-2RS | 70 | 120 | 70 | 45 | GEG80ET-2RS | 80 | 130 | 75 | 50 |
1