don't remove it
Catalogue
-
68/Z,ZZ,RS,2RS series
-
69/Z,ZZ,RS,2RS series
-
62/Z,ZZ,RS,2RS,2RD,2RK series
-
60/Z,ZZ,RS,2RS,2RD,2RK series
-
63/Z,ZZ,RS,2RS,2RD,2RK series
Catalogue
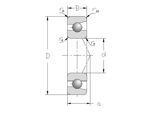
Angular contact ball bearings
single column / Single row 72 series
Next
| 型号 |
主要尺寸(mm) |
| d |
D |
B |
rs min |
| 7200 |
10 |
30 |
9 |
0.6 |
7201 |
12 |
32 |
10 |
0.6 |
| 7202 |
15 |
35 |
11 |
0.6 |
7203 |
17 |
40 |
12 |
0.6 |
| 7204 |
20 |
47 |
14 |
1 |
7205 |
25 |
52 |
15 |
1 |
| 7206 |
30 |
62 |
16 |
1 |
7207 |
35 |
72 |
17 |
1.1 |
| 7208 |
40 |
80 |
18 |
1.1 |
7209 |
45 |
85 |
19 |
1.1 |
| 7210 |
50 |
90 |
20 |
1.1 |
7211 |
55 |
100 |
21 |
1.5 |
| 型号 |
主要尺寸(mm) |
| d |
D |
B |
rs min |
| 7212 |
60 |
110 |
22 |
1.5 |
7213 |
65 |
120 |
23 |
1.5 |
| 7214 |
70 |
125 |
24 |
1.5 |
7215 |
75 |
130 |
25 |
1.5 |
| 7216 |
80 |
140 |
26 |
2 |
7217 |
85 |
150 |
28 |
2 |
| 7218 |
90 |
160 |
30 |
2.0 |
7219 |
95 |
170 |
32 |
2.1 |
| 7220 |
100 |
180 |
34 |
2.1 |
7221 |
105 |
190 |
36 |
2.1 |
| 7222 |
110 |
200 |
38 |
2.1 |
7224 |
120 |
215 |
40 |
2.1 |
Inquire Now