Jiangsu Mechanical and Electrical Products Bearing Co., Ltd.

江苏省机电产品轴承有限公司

Jiangsu Mechanical and Electrical Products Bearing Co., Ltd.

江苏省机电产品轴承有限公司

ENG

中国人

Jiangsu Mechanical and Electrical Products Bearing Co., Ltd.

江苏省机电产品轴承有限公司

Model
Inner Diameter
Outer Diameter
Width

Catalogue

Catalogue

Tapered Roller Bearings

Single row metric tapered roller bearings / 330 Series

Next
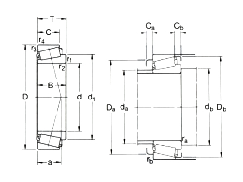
型号 尺寸(mm) 基本额定载荷(KN)
d1 D B dyc(Cr)
33010/Q 50 80 24 80
33011/Q 55 90 27 104
33012/Q 60 95 27 106
33013/Q 65 100 27 110
33014 70 110 31 130
33015/Q 75 115 31 134
33016/Q 80 125 36 168
33017/Q 85 130 36 183
33018/Q 90 140 39 216
33019/Q 95 145 39 220
33020/Q 100 150 39 224
33021/Q 105 160 43 246

page

1

Inquire Now