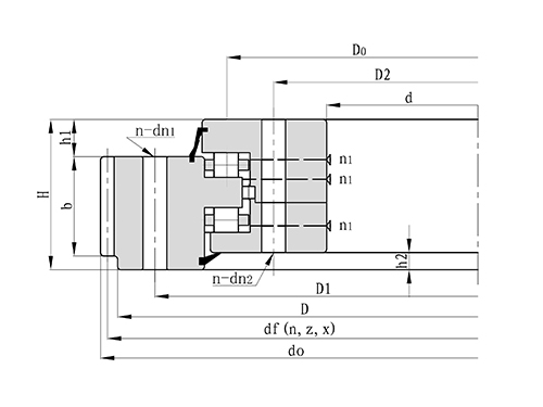
| 型号 | 外形尺寸(mm) | 安装孔尺寸(mm) | ||
| D | d | H | D1 | |
| 131.25.500 | 634 | 366 | 148 | 598 | 132.25.500 | 634 | 366 | 148 | 598 |
| 131.25.560 | 694 | 426 | 148 | 658 | 132.25.560 | 694 | 426 | 148 | 658 |
| 131.25.630 | 764 | 496 | 148 | 728 | 132.25.630 | 764 | 496 | 148 | 728 |
| 131.25.710 | 844 | 576 | 148 | 808 | 132.25.710 | 844 | 576 | 148 | 808 |
| 131.32.800 | 964 | 636 | 182 | 920 | 132.32.800 | 964 | 636 | 182 | 920 |
| 131.32.900 | 1064 | 736 | 182 | 1020 | 132.32.900 | 1064 | 736 | 182 | 1020 |
1
2
3