don't remove it
Catalogue
-
68/Z,ZZ,RS,2RS series
-
69/Z,ZZ,RS,2RS series
-
62/Z,ZZ,RS,2RS,2RD,2RK series
-
60/Z,ZZ,RS,2RS,2RD,2RK series
-
63/Z,ZZ,RS,2RS,2RD,2RK series
Catalogue
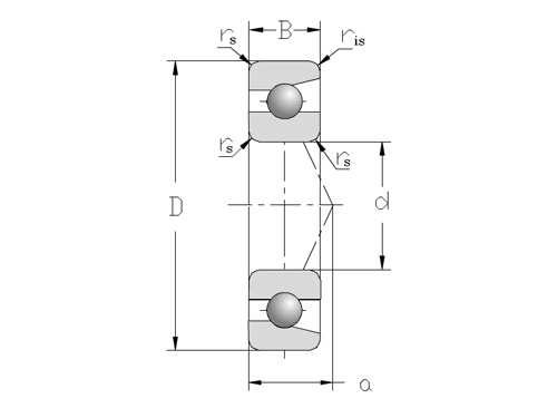
Angular contact ball bearings
High speed single train / Single row 79C series
Next
| 型号 |
主要尺寸(mm) |
| d |
D |
B |
rs min |
| 7905C |
25 |
42 |
9 |
0.3 |
7906C |
30 |
47 |
9 |
0.3 |
| 7907C |
35 |
55 |
10 |
0.6 |
7908C |
40 |
62 |
12 |
0.6 |
| 7909C |
45 |
68 |
12 |
0.6 |
7910C |
50 |
72 |
12 |
0.6 |
| 7911C |
55 |
80 |
13 |
1 |
7912C |
60 |
85 |
13 |
1 |
| 7913C |
65 |
90 |
13 |
1 |
7914C |
70 |
100 |
16 |
1 |
| 7915C |
75 |
105 |
16 |
1 |
7916C |
80 |
110 |
16 |
1 |
Inquire Now