Jiangsu Mechanical and Electrical Products Bearing Co., Ltd.

江苏省机电产品轴承有限公司

Jiangsu Mechanical and Electrical Products Bearing Co., Ltd.

江苏省机电产品轴承有限公司

ENG

中国人

Jiangsu Mechanical and Electrical Products Bearing Co., Ltd.

江苏省机电产品轴承有限公司

Model
Inner Diameter
Outer Diameter
Width

Catalogue

Catalogue

Tapered Roller Bearings

Single row metric tapered roller bearings / 302 series

Next
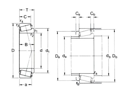
型号 尺寸(mm) 基本额定载荷(KN)
d1 D B dyc(Cr)
30203J2 17 40 13.25 19
30204J2/Q 20 47 15.25 32
30205J2/Q 25 52 16.25 35.5
302/28J2 28 58 17.25 38
30206J2/Q 30 62 17.25 46.5
30207J2/Q 35 72 18.25 58.5
30208J2/Q 40 80 19.75 71
30209J2/Q 45 85 20.75 76.5
30210J2/Q 50 90 21.75 86.5
30211J2/Q 55 100 22.75 104
30212J2/Q 60 110 23.75 112
30213J2/Q 65 120 24.75 132

page

1

Inquire Now