don't remove it
Catalogue
-
68/Z,ZZ,RS,2RS series
-
69/Z,ZZ,RS,2RS series
-
62/Z,ZZ,RS,2RS,2RD,2RK series
-
60/Z,ZZ,RS,2RS,2RD,2RK series
-
63/Z,ZZ,RS,2RS,2RD,2RK series
Catalogue
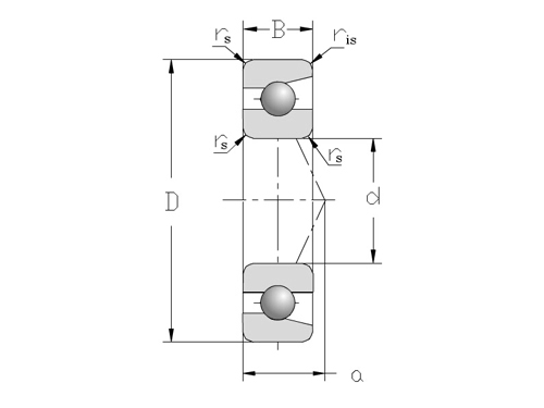
Angular contact ball bearings
single column / Single row 73 series
Next
| 型号 |
主要尺寸(mm) |
| d |
D |
B |
rs min |
| 7300 |
10 |
35 |
11 |
0.6 |
7301 |
12 |
37 |
12 |
1 |
| 7302 |
15 |
42 |
13 |
1 |
7303 |
17 |
47 |
14 |
1 |
| 7304 |
20 |
52 |
15 |
1.1 |
7305 |
25 |
62 |
17 |
1.1 |
| 7306 |
30 |
72 |
19 |
1.1 |
7307 |
35 |
80 |
21 |
1.5 |
| 7308 |
40 |
90 |
23 |
1.5 |
7309 |
45 |
100 |
25 |
1.5 |
| 7310 |
50 |
110 |
27 |
2 |
7311 |
55 |
120 |
29 |
2 |
| 型号 |
主要尺寸(mm) |
| d |
D |
B |
rs min |
| 7312 |
60 |
130 |
31 |
2.1 |
7313 |
65 |
140 |
33 |
2.1 |
| 7314 |
70 |
150 |
35 |
2.1 |
7315 |
75 |
160 |
37 |
2.1 |
| 7316 |
80 |
170 |
39 |
2.1 |
7317 |
85 |
180 |
41 |
3 |
| 7318 |
90 |
190 |
43 |
3.0 |
7319 |
95 |
200 |
45 |
3 |
| 7320 |
100 |
215 |
47 |
3 |
7321 |
105 |
225 |
49 |
3 |
| 7322 |
110 |
240 |
50 |
3 |
7324 |
120 |
260 |
55 |
3 |
Inquire Now